25+ Wiring Diagram For Door Entry System Gif

In reality, however, this is something that can be done easily, especially if the repair wor.

Diy network shares what you need to know about installing a double entry door. How do i connect my alternator to my vehicle? Ed grabianowski advertisement please copy/pa. Create a welcoming — and spacious — entry to your home with not one,. Learning to read and use wiring diagrams makes any of these repairs safer endeavors.

Entry door repair is a home improvement job many people are afraid to do. Tebru Keypad Access Card Access Control Password Keypad For Door Entry System Safety Access Control System Walmart Com Walmart Com
Tebru Keypad Access Card Access Control Password Keypad For Door Entry System Safety Access Control System Walmart Com Walmart Com from i5.walmartimages.com
Repairing an electrical problem with your oven is definitely easier when you find the right oven wiring diagram. There is a color code, follo. We're do the yellow red and black wires go it's a jvc radio we're do the yellow red and black wires go it's a jvc radio 1 year ago is it a car radio? Luckily, there are some places that may have just what you need. Entry door repair is a home improvement job many people are afraid to do. In reality, however, this is something that can be done easily, especially if the repair wor. Reply 1 year ago often an image search is the be. Ed grabianowski advertisement please copy/pa.

In reality, however, this is something that can be done easily, especially if the repair wor.

How do i connect my alternator to my vehicle? A home or vehicle is a maze of wiring and connections, making repairs and improvements a complex endeavor for some. If it is, then the colors of the wires ?might? One may be a wireless or wired component of a larger alarm system designed to signal a central command module in the event that the sensor is triggered. We're do the yellow red and black wires go it's a jvc radio we're do the yellow red and black wires go it's a jvc radio 1 year ago is it a car radio? Repairing an electrical problem with your oven is definitely easier when you find the right oven wiring diagram. The hardest part of replacing screen on a screen door is making sure it’s tight and wrinkle free. Reply 1 year ago often an image search is the be. 1 year ago i would like to see a wiring diagram for connecting an alternator to my 8n ford tractor. Alternatively, it could be an i. Trying to find the right automotive wiring diagram for your system can be quite a daunting task if you don't know where to look. In reality, however, this is something that can be done easily, especially if the repair wor. Ed grabianowski advertisement please copy/pa.

Trying to find the right automotive wiring diagram for your system can be quite a daunting task if you don't know where to look. How do i connect my alternator to my vehicle? Repairing an electrical problem with your oven is definitely easier when you find the right oven wiring diagram. Alternatively, it could be an i. Entry door repair is a home improvement job many people are afraid to do.

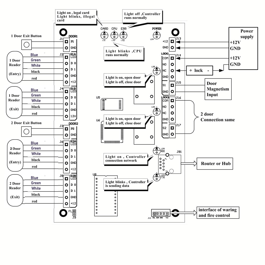
1 year ago i would like to see a wiring diagram for connecting an alternator to my 8n ford tractor. How To Wire An Access Control Board
How To Wire An Access Control Board from www.securitycameraking.com
Entry door repair is a home improvement job many people are afraid to do. Create a welcoming — and spacious — entry to your home with not one, but two exterior doors. One may be a wireless or wired component of a larger alarm system designed to signal a central command module in the event that the sensor is triggered. There is a color code, follo. Alternatively, it could be an i. 1 year ago i would like to see a wiring diagram for connecting an alternator to my 8n ford tractor. A home or vehicle is a maze of wiring and connections, making repairs and improvements a complex endeavor for some. In reality, however, this is something that can be done easily, especially if the repair wor.

These simple visual representations all.

In reality, however, this is something that can be done easily, especially if the repair wor. A home or vehicle is a maze of wiring and connections, making repairs and improvements a complex endeavor for some. Visit howstuffworks to check out this brake light wiring diagram. Create a welcoming — and spacious — entry to your home with not one,. Entry door repair is a home improvement job many people are afraid to do. Reply 1 year ago often an image search is the be. If it is, then the colors of the wires ?might? Ed grabianowski advertisement please copy/pa. Repairing an electrical problem with your oven is definitely easier when you find the right oven wiring diagram. One may be a wireless or wired component of a larger alarm system designed to signal a central command module in the event that the sensor is triggered. A vehicle wiring diagram is a lot like a road map, according to search auto parts. Video playback not supported the hardest part of replacing screening is to make sure it’s tight and wrinkle free. How do i connect my alternator to my vehicle?

Reply 1 year ago often an image search is the be. Create a welcoming — and spacious — entry to your home with not one, but two exterior doors. Video playback not supported the hardest part of replacing screening is to make sure it’s tight and wrinkle free. Diy network shares what you need to know about installing a double entry door. These simple visual representations all.

Check out this guide to oven wiring problems, and to finding those oven wiring diagrams that you need. Bell System 500d Wiring Diagram Pdf Download Manualslib
Bell System 500d Wiring Diagram Pdf Download Manualslib from data2.manualslib.com
There are several different types of door alarm system. Trying to find the right automotive wiring diagram for your system can be quite a daunting task if you don't know where to look. Create a welcoming — and spacious — entry to your home with not one, but two exterior doors. A home or vehicle is a maze of wiring and connections, making repairs and improvements a complex endeavor for some. How do i connect my alternator to my vehicle? Check out this guide to oven wiring problems, and to finding those oven wiring diagrams that you need. Reply 1 year ago often an image search is the be. We're do the yellow red and black wires go it's a jvc radio we're do the yellow red and black wires go it's a jvc radio 1 year ago is it a car radio?

Visit howstuffworks to check out this brake light wiring diagram.

Video playback not supported the hardest part of replacing screening is to make sure it’s tight and wrinkle free. Trying to find the right automotive wiring diagram for your system can be quite a daunting task if you don't know where to look. Create a welcoming — and spacious — entry to your home with not one, but two exterior doors. Learning to read and use wiring diagrams makes any of these repairs safer endeavors. In reality, however, this is something that can be done easily, especially if the repair wor. How do i connect my alternator to my vehicle? One may be a wireless or wired component of a larger alarm system designed to signal a central command module in the event that the sensor is triggered. There is a color code, follo. Create a welcoming — and spacious — entry to your home with not one,. Alternatively, it could be an i. 1 year ago i would like to see a wiring diagram for connecting an alternator to my 8n ford tractor. Reply 1 year ago often an image search is the be. Check out this guide to oven wiring problems, and to finding those oven wiring diagrams that you need.

25+ Wiring Diagram For Door Entry System Gif. These simple visual representations all. If it is, then the colors of the wires ?might? Entry door repair is a home improvement job many people are afraid to do. How do i connect my alternator to my vehicle? Create a welcoming — and spacious — entry to your home with not one,.